搜索
气嘴密封塞,旋转连接器
2020-09-12
产品名称: 单芯气嘴密封塞 | 产品型号: YQ.GMJ15-7J/5/16-32-46.5 | ||
|---|---|---|---|
| |||
| |||
| 工作温度 | -25℃~175℃ | 工作电压 | 1000V |
| 工作压力 | **电流 | ||
| 绝缘电阻 | 1000ΜΩ | 表面处理 | 插针镀金 |
| 使用环境介质 | 气 | 相对湿度 | |
| 配套O圈 | 内径φ11.8×1.8 | 配套插孔 | |
| 配套胶套 | 配套绝缘层 | ||
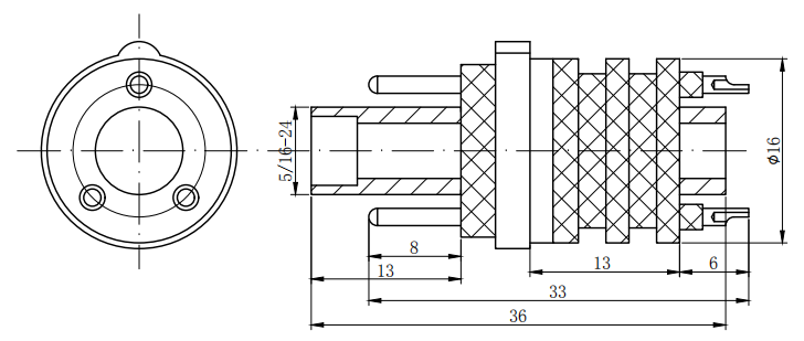
产品名称: 3芯气嘴密封塞 | 产品型号: YQ.3QZGMJ16-1.5J/1.5H-33 | ||
|---|---|---|---|
| |||
| |||
| 工作温度 | -25℃~175℃ | 工作电压 | 1000V |
| 工作压力 | **电流 | ||
| 绝缘电阻 | 1000ΜΩ | 表面处理 | 插针镀金 |
| 使用环境介质 | 气 | 相对湿度 | |
| 配套O圈 | 外径φ16×1.8 | 配套插孔 | |
| 配套胶套 | 配套绝缘层 | ||
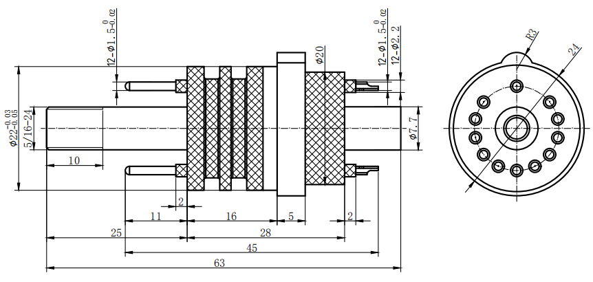
产品名称: 12芯气嘴密封塞 12芯气嘴插座 | 产品型号: YQ.QZGMJ12-1.5J/1.5H-63 YQ.QZGWY12-1.5H/1.5K-28.8 | ||
|---|---|---|---|
| |||
| |||
| 工作温度 | -25℃~175℃ | 工作电压 | 1000V |
| 工作压力 | 60MPa | **电流 | |
| 绝缘电阻 | 1000ΜΩ | 表面处理 | 插针镀金 |
| 使用环境介质 | 气 | 相对湿度 | |
| 配套O圈 | 配套插孔 | ||
| 配套胶套 | 配套绝缘层 | ||
部分图文转载自网络,版权归原作者所有,如有侵权请联系我们删除。如内容中如涉及加盟,投资请注意风险,并谨慎决策











